首安技術資料
聯系我們
- 聯系人:郭經理
- 傳真:010-69552656
- 電話:400-0346-119
- 電話:010-57491119
- 郵箱:506665119@qq.com
- 地址:北京通州區M5運河1號3號樓403室
首安SL-D623點型紅外火焰探測器
時間:2018-10-31 10:15:29 品牌:
![[!--oldtitle--]](/d/file/baojingshebei/2018-10-31/03a00eac749414c1ae918e6188fa52b1.jpg)
一、SL-D623點型紅外火焰探測器產品概述
SL-D623點型紅外火焰探測器屬于防爆智能型火災探測設備,SL-D623紅外火焰探測器運用了先進的多紅外傳感技術(MIR),使用三只具有窄帶濾波的不同波長的紅外傳感器,其中一只傳感器工作在反映火焰信息的中心波長,另外兩只傳感器監視環境中的其他紅外輻射,結合火焰的閃爍特征,通過高性能的微處理器和先進的數學算法模型進行運算分析,使得只有符合火焰特征的輻射頻譜才會被確認為火警,而其他的干擾因素形成的假火警信號則會被排除。SL-D623火焰探測器能夠對日光、閃電、電焊、人工光源、環境(人等)、熱輻射、電磁干擾、機械振動等干擾有很好的抑制,從而實現了對火焰信號的快速響應和準確識別。本探測器采用非接觸式探測,靈敏度現場可調,提供無源接點、標準電流輸出和總線接口與火災報警系統相連接。
首安SL-D623紅外火焰探測器適用于無煙液體和氣體火災、產生煙的明火以及產生爆燃的場所。例如:航天工業、飛機庫、飛機修理場、化學工業、公路隧道、彈藥和爆炸品倉庫、油漆工廠、石油化工企業、制藥企業、發電站、印刷企業、易燃材料倉庫等可燃物含碳物質的其他場合。
SL-D623點型紅外火焰探測器根據GB3836.1-2010《爆炸性氣體環境用電氣設備第1部分:通用要求》、GB3836.2-2010《爆炸性氣體環境用電氣設備第2部分:隔爆型“d”》的規定,制成隔爆型結構,其防爆標志:ExdⅡCT6。適用于工廠具有ⅡA、ⅡB、ⅡC級,引燃溫度組別為T1~T6組的1區、2區可燃性氣體或蒸氣與空氣形成的爆炸性混合物的場所。
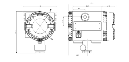
二、SL-D623紅外火焰探測器外形及安裝尺寸圖

SL-D623紅外火焰探測器外形及安裝尺寸圖
三、SL-D623點型紅外火焰探測器型號和主要技術參數
(1)SL-D623火焰探測器型號含義:

(2)防爆標志含義:

(3)SL-D623點型紅外火焰探測器技術參數:
| 型號 | SL-D623 |
| 防爆標志 | ExdⅡCT6 |
| 防護等級 | IP66 |
| 工作電壓 | DC18V~DC30V(標稱值DC24V) |
| 工作電流 | ≤35mA(24VDC) |
| 信號輸出 | 繼電器無源點、0-20mA、總線輸出 |
| 安裝方式 | 壁裝或吊裝 |
| 響應時間 | <30s |
| -大探測距離 | 42m底面尺寸為(33㎝×33㎝)的正庚烷火盆 |
| 保護角度 | ≤90° |
| 重量 | 2±0.2kg |
| 外殼 | 鋁合金 |
| 電纜引入裝置接口 | 標配:1/2NPT外螺紋 |
| 環境溫度 | -20℃~+60℃ |
| 相對濕度 | ≤95﹪RH(40±2℃) |
| 執行標準 | GB15631-2008 |
四、首安SL-D623點型紅外火焰探測器防爆要點
(1)在進行探測器結構設計時充分考慮了當爆炸性混合物侵入其內部,因某種原因發生爆炸時不致引起分析儀外部的爆炸性混合物爆炸的宗旨,從外殼強度和組成外殼各零部件的接合面間隙、長度以及限制外殼-高表面溫度等關鍵條件著手,確保隔爆性能。
(2)隔爆外殼精加工后,進行靜壓試驗,試驗壓力為1.5MPa,歷時10~12s,試驗結果以不滴水為合格。
(3)隔爆接合面參數符合GB3836.2-2010的要求;隔爆面是產品的重要防爆措施,使用及維修時應注意保護隔爆面,不得磕碰、劃傷。
(4)探測器正常運行時,其外殼-高表面溫度不超過60℃。
(5)探測器內-小電氣間隙為6mm,帶電部件與外殼之間-小爬電距離為10mm。
(6)探測器的內外接地是確保其安全運行的重要措施,接地端子分別設在控制箱內外部,旁邊有接地標志“〨”。
(7)探測器外殼的明顯部位有“嚴禁帶電開蓋”字樣的警告牌。
(8)探測器安裝于外力沖擊沖擊不到的場所。
五、SL-D623點型紅外火焰探測器接線方式
所有信號線和電源線宜采用截面積大于1.0mm2的導線,并嚴格按規范要求進行布線,其中探測器外殼應良好接地。探測器接線定義見下表 :
| 編號 | 定義 | 電路特征 | 描述 |
| 1 | 紅 | +24V | 供電電源 |
| 2 | 黑 | GND | 供電電源 |
| 3 | - | MAS | 電流輸出 |
| 4 | 綠 | FR-C | 火警輸出 |
| 5 | 藍 | FR-NO | 火警輸出 |
| 6 | - | FR-NC | 火警輸出 |
| 7 | 黃 | FL-C | 故障輸出 |
| 8 | 白 | FL-NO | 故障輸出 |
| 9 | - | 485-A | 通訊輸出 |
| 10 |
- |
485-B | 通訊輸出 |
| 0~20mA電流輸出定義 | 0~20mA電流輸出定義 | 0mA(+0.5mA) | 設備故障狀態 |
| 0~20mA電流輸出定義 | 0~20mA電流輸出定義 | 5mA(±5%) | 正常監視狀態 |
| 0~20mA電流輸出定義 | 0~20mA電流輸出定義 | 15mA(±5%) | 火警輸出狀態 |
注:(1)上表中“接線標示”是指探測器自帶1.5米長主電纜的接線情況。
(2)無源點輸出和標準電流輸出一般不同時使用,用戶可以拆開探測器前蓋后根據需要在端子上相應接出。
六、SL-D623點型紅外火焰探測器靈敏度和通訊ID設定
首安SL-D623紅外火焰探測器報警靈敏度(Ⅰ級、Ⅱ級、Ⅲ級)可以通過撥碼開關S1(紅色,見下表)設定,以滿足不同場所需要:
| 編號 | 圖示 | 二進制編碼 | 靈敏度等級 |
| 1 | ![]() |
00 | Ⅰ級(-靈敏) |
| 2 | |
01 | Ⅱ級(出廠設定值) |
| 3 | |
10 | Ⅲ級 |
| 4 | |
11 | Ⅳ級 |
注:靈敏度和設備通訊ID設定結束后,SL-D623紅外火焰探測器需重新上電復位。








